销售热线
0571-89935606
0571-89936112

高压开关站(HV Switching Station):设有35kV及以上线路进出线,对功率进行再分配的装置,相当于变电站母线的延伸,主要用于解决变电站35kV及以上出线间隔不足,进出线走廊受到限制,以及减少相同路径的电缆条数等问题。高压开关站内不设变压器。
开闭所(MV Switching Station):设有中压配电进出线、对功率进行再分配的配电装置。相当于变电站母线的延伸,可用于解决变电站进出线间隔有限或进出线走廊限制,并在区域中起到电源支撑的作用。开闭所内可附设配电变压器。
配电室(Distribution room):户内仅设有中压进出线、配电变压器和低压配电装置,仅带低压负荷的配电场所统称为配电室。
箱式配电室 (Cabinet/pad-mounteddistribution substation):也称预装式变电站或箱变,是指中压开关、配电变压器、低压出线开关、无功补偿装置、计量装置等设备共同安装于一个封闭箱体内的户外配电装置。
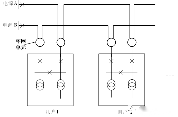
环网单元(Ring Main Unit):是接于电缆线路中,在电源回路中设有分段、联络开关,在线路中起联络、分段和分接负荷作用的配电装置。
电缆分接箱(Cable Junction Cabinet):是用于电缆线路中分接负荷的配电装置,在电源回路中不能用作线路联络或分段。
由于电缆的供电能力大,事故率低且不影响市容,已被大、中城市普遍采用。中压电缆网的接线方式见图B8 a、b(注:图中仅为示意图,可根据需要选择不同的接线方式)。
a 双放射接线
b 开环运行的单环网
双放射接线方式用于双电源供电的重要用户。大城市中心区负荷密度高,需双电源供电的重要用户密集,可采用此方式。双放射接线的电源可来自不同变电站,也可来自同一变电站的不同母线。
开环运行的单环网用于单电源供电的用户。随着用户对供电可靠性要求不断提高,单放射接线方式逐渐被淘汰,单环网虽然只提供单个运行电源,但在故障时可以在较短时间内倒入备用电源,恢复非故障线路的供电。
单环网的电源来自不同变电站,也可来自同一变电站的不同母线,由环网单元(负荷开关)组成的单环网必须开环运行。
箱式变电站特点:
箱式变电站具有重量轻,安装维护方便,外形美观等特点,特别适合于工矿企业,城市配电、公园、居民住宅区等场所变电。箱式变电站主要由多回路高压开关系统、铠装母线、变电站综合自动化系统、通讯、远动、计量、电容补偿及直流电源等电气单元组合而成,安装在一个防潮、防锈、防尘、防鼠、防火、防盗、隔热、全封闭、可移动的钢结构箱体内,机电一体化,全封闭运行,主要有以下特点:
(1)技术先进安全可靠。箱体部分采用目前国内领先技术及工艺,外壳一般采用镀铝锌钢板,框架采用标准集装箱材料及制作工艺,有良好的防腐性能,20年不锈蚀,内封板采用铝合金扣板,夹层采用防火保温材料,箱体内安装空调及除湿装置,设备运行不受自然气候环境及外界污染影响,可保证在-40℃~+40℃的恶劣环境下正常运行。箱体内一次设备采用全封闭高压开关柜(如XGN型)、干式变压器、干式互感器、真空开关,弹簧操作机构、旋转隔离开关等设备,产品无裸露带电部分,为全封闭、全绝缘结构,完全能达到零触电事故,安全性高,二次采用微机综合自动化系统,可实现无人值守。
(2)自动化程度高。全站智能化设计,保护系统采用变电站微机综合自动化装置,分散安装,可实现“四遥”,即遥测、遥信、遥控、遥调,每个单元均具有独立运行功能,继电保护功能齐全,可对运行参数进行远方设置,对箱体内湿度、温度进行控制和远方烟雾报警,满足无人值班的要求;根据需要还可实现图像远程监控。
(3)工厂预制化。设计时,只要设计人员根据变电站的实际要求,作出一次主接线图和箱外设备的设计,就可以选择由厂家提供的箱变规格和型号,所有设备在工厂一次安装、调试合格,真正实现变电站建设工厂化,缩短了设计制造周期;现场安装仅需箱体定位、箱体间电缆联络、出线电缆连接、保护定值校验、传动试验及其它需调试的工作,整个变电站从安装到投运大约只需5~8天的时间,大大缩短了建设工期。
(4)组合方式灵活。箱式变电站结构比较紧凑,每个箱均构成一个独立系统,这就使得组合方式灵活多变,使用单位可根据实际情况自由组合一些模式,以满足安全运行的需要。
(5)投资省见效快。箱式变电站较同规模常规变电所减少投资40%~50%,由于先进设备的选用,特别是无油设备运行,从根本上彻底解决了常规变电所中的设备渗漏问题,变电站可实行状态检修,减少维护工作量,可节约运行维护费用,整体经济效益十分可观。
(6)占地面积小。选用箱式变电站,仅为同规模变电所占地面积的1/10,可充分利用街心、广场及工厂角隅即可安装投产,符合国家节约土地的政策。
(7)外形美观,易与环境协调。箱体外壳采用镀铝锌钢板及集装箱制造技术,外形设计美观,在保证供电可靠性前提下,通过选择箱式变电站的外壳颜色,从而极易与周围环境协调一致,特别适用于城市建设,如城市居民住宅小区、车站、港口、机场、公园、绿化带等人口密集地区,它既可作为固定式变电所,也可作为移动式变电所。
箱式变电站的分类:
(1)拼装式。将高低压成套装置和变压器装入金属箱体,高低压配电装置中留有操作走廊,这种箱变体积较大,现很少采用。
(2)组合装置型。不使用现有成套装置,而将高低压控制、保护电器设备直接装入箱内,成为一个整体。设计按免维护考虑,无操作走廊,箱体小,又叫欧式箱变或普通型箱变。
(3)一体型。简化高压控制、保护装置,将高低压配电装置与变压器主体一齐装入变压器油箱,成为一个整体,体积更小,接近同容量油浸变压器,是欧式箱变的1/3。又叫美式箱变或紧凑型箱变。